BCI系列棒式磁濾器
一、產品概述
棒式磁濾器以名油箱液槽濾油(液)器,是利用磁化原理濾除油箱油液中鐵磁性污物的磁性濾油(液)器,適用于機床加工設備,工程建筑機械、車輛船舶裝備、礦山冶金機械、農林輕工機械用液壓潤滑冷卻液箱及齒輪箱。籍以保證液壓潤滑、冷卻液裝置正常工作,提高滑動滾動元件使用壽命,大大地降低生產成本,提高經濟效益。
BCI棒式磁濾器,結構簡單,性能優良,吸附力特強,在線清洗便利。
二、作用原理
棒式磁濾器,采用高磁場強度的永磁材料和反鐵磁性材料組合而成,其外罩不銹鋼套管,在磁路上形成高效率的相斥排列式周期磁場,具有很高的恒定磁場強度。
當油、液注入箱、槽或流回箱、槽時,便流經棒式磁濾器周期磁場,而混入油、液的各種傾磁顆粒被迅速磁化,在磁力的作用下,被吸附到磁濾器的套管上。
三、技術性能
1、適用介質
礦物油、油包水、乳化液、水-乙二醇及合成磷酸脂液等。
2、適用溫度及壓力
D0℃~+100℃,壓力根據使用箱、槽、罐等不同壓力等級而定。
3、結構形式
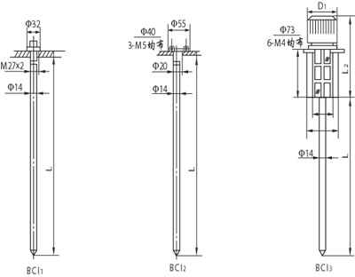
按箱、槽、罐結構分為三種形式, 厚壁油箱和齒輪箱宜用螺塞形式, 薄壁結構可用法蘭式,加油、液口 結構則用與液壓空氣濾清器組合在 一起。
4、磁 性 能
磁感應強度:b≥1.05T
磁場強度:H≥119.37×103A/m
最大磁能積:41.38×103T.A、/m
四、型號說明
五、安裝尺寸
油箱蓋或齒輪箱壁上的安裝孔共有三種型式,其外形及安裝尺寸見圖表。一般宜安裝在加油口和回油口附近,周圍空間(半徑為100mm)內無管道隔板等結構件,端部到箱底的距離不得小于50mm。
◆ BCI系列棒式磁濾結構圖
|
型 號
|
L
|
型 號
|
L
|
L1
|
L2
|
D1
|
D2
|
D3
|
|
|
BCI1-100
|
BCI2-100
|
100
|
BCI3-100
|
85
|
96
|
159
|
76
|
49
|
83
|
|
BCI1-160
|
BCI2-160
|
160
|
BCI3-160
|
145
|
|||||
|
BCI1-250
|
BCI2-250
|
250
|
BCI3-250
|
235
|
|||||
|
BCI1-320
|
BCI2-320
|
320
|
BCI3-320
|
305
|
|||||
|
BCI1-400
|
BCI2-400
|
400
|
BCI3-400
|
385
|
|||||
|
BCI1-500
|
BCI2-500
|
500
|
BCI3-500
|
485
|
|||||
|
BCI1-630
|
BCI2-630
|
630
|
BCI3-630
|
615
|
|||||
|
BCI1-800
|
BCI2-800
|
800
|
BCI3-800
|
785
|
|||||
|
BCI1-1000
|
BCI2-1000
|
1000
|
BCI3-1000
|
985
|
|||||
|
BCI1-1200
|
BCI2-1200
|
1200
|
BCI3-1200
|
1185
|
|||||
|
BCI1-1500
|
BCI2-1500
|
1500
|
BCI3-1500
|
1485
|
|||||
② BCI3系列產品在無特殊定貨要求時,其液壓空氣濾清器按空氣過濾精度為20微米空氣流量1m3/min供貨。
六、維護保養
棒式磁濾器裝入油箱或齒輪箱后,可根據油液污染程度確定拆洗時間間隔。一般可在不停機狀況下拆出清洗。
其清洗方法極為簡單只需用一塊綢布,包住棒表面即可抹去吸附的雜質。然后再裝復到原位置。




